关键词 : 变送器
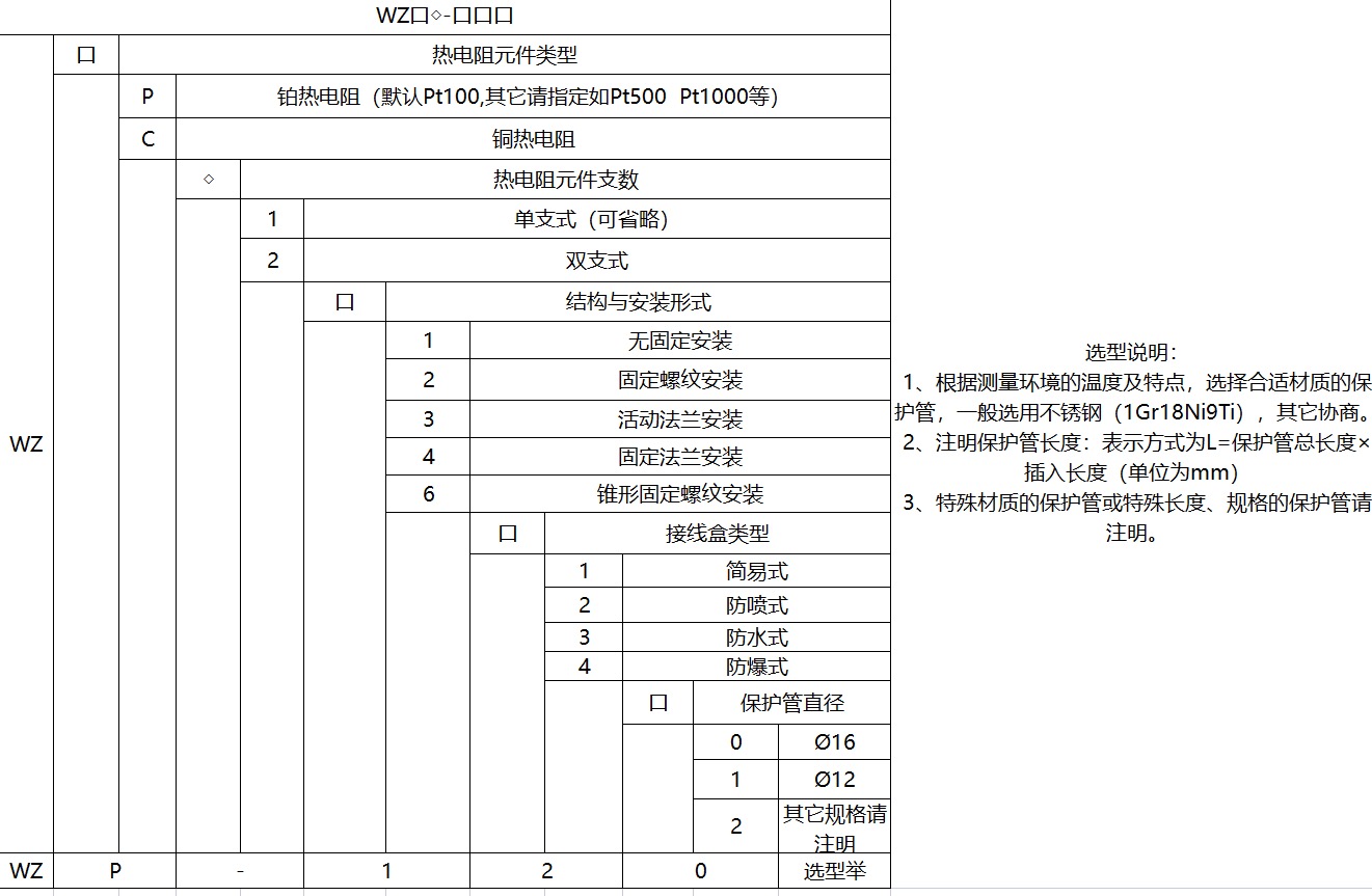
WZP 热电阻 PT100 Cu50多种分度号 单支双支均可定制
|

装配式热电阻是利用物质在温度变化时,其电阻也随着发生变化的特征来测量温度的。当阻值变化时,工作仪表便显示出阻值所对应的温度值。



型 号 | 分 度号 | 测温范围 | 精度等级 | 允许误差 |
WZP | Pt100 | -200-+500 | A级 | ±(0.15+0.002) ltl |
B级 | ±(0.30+0.005) ltl | |||
WZC | Cu50 Cu100 | -50-+100 | --- | ±(0.30+0.005) ltl |
1.压簧式感温元件,抗振性能好.
2.毋须补偿导线,节省费用.
3.测温精度高.4.机械强度高,耐压性能好.
5.进口薄膜电阻元件,性能可靠稳定.
产品执行标准
IEC751
JB/T18622-1997JB/T8623-1997常温绝缘电阻
热电阻在环境温度为15—35°C,相对湿度不大于80%,试验电压为10—100V(直流)电极与外套管之间的绝缘电阻>100MΩ。测量范围及允差




1、本公司承若凡是购买我司产品,一年质保期内,若收到用户关于此类缺陷的通知,本公司对确实有缺陷的产品实行无条件免费维修或免费更换 。
2、客户的技术疑问,我们承诺在一个工作日内处理完毕。
3、返厂维修的仪表我们承诺在3个工作日内出具检测结果,7个工作日内完成维修。
4、仪表返给客户之后2周之内对用户进行回访,并提供自动化相关技术的免费咨询。